Secraft
SECRFTCRED
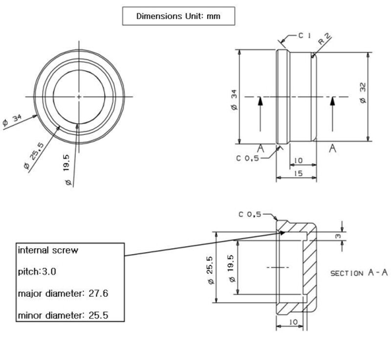
Material: Aluminium 6061-T6 (eloxiert)
Kraftstoffschlauch 4.0mm (3 / 32 ")
1Set : Deckel, O-Ring, Kraftstoffschlauch 65mm * 1, 55mm * 2
Der Kraftstofftankdeckel ist eloxiert, nachdem er aus Aluminium mit Hilfe von CNC-Maschine bearbeitet wurde, kann entweder für Benzin oder Glühwein verwendet werden.
Jede Getränkeflasche aus Polyethylenterephthalat Material leicht verfügbar (wie für Coca-Cola und Pepsi Cola-Getränke verwendet) kann verwendet werden.
Die Öffnung ist größer als bei früheren Kraftstofftanks, so dass größere Filter eingesetzt werden können und der Bediener bei Verwendung von durchsichtigen Kunststoffflaschen leicht in das Innere schauen kann, um den Fortschritt zu überprüfen.
Anwendungshinweise
Zwei Löcher werden durchbohrt und ein Loch wird gegraben, aber nicht durchbohrt.
Wenn Sie drei durchbohrte Löcher verwenden möchten, verwenden Sie einen 4.0 Bohrer am inneren Loch, um in das Innere einzudringen.
Nach dem Zusammenbau des neuen Blechrohrs, verwenden Sie einen Tropfen Sekundenkleber (CA) an der Öffnung.