Secraft
SECRFTCBLUE
Materiaal: aluminium 6061-T6 (geanodiseerd)
Brandstofleiding 4,0mm (3 / 32 ")
1Set: dop, O-ring, brandstofleiding 65mm * 1, 55mm * 2
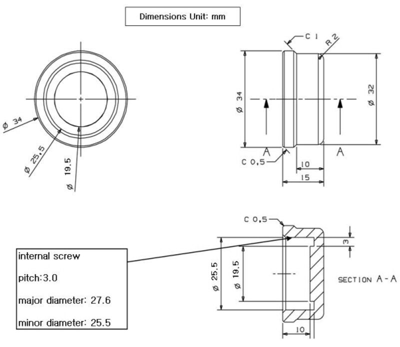
De brandstoftank deksel is geanodiseerd na verwerking van aluminium met behulp van CNC machine kan worden gebruikt voor zowel benzine of gloed.
Elke drankfles van polyethyleentereftalaatmateriaal dat gemakkelijk verkrijgbaar is (zoals gebruikt voor Coca-Cola en Pepsi coladranken) kan worden gebruikt.
De mond is groter dan bij vorige brandstoftanks, waardoor er grotere filters kunnen worden gebruikt en gebruikers gemakkelijk in de binnenkant kunnen kijken als ze doorzichtige plastic flessen gebruiken om de voortgang te controleren.
Hoe te gebruiken
Twee gaten zijn geperforeerd en één gat is gegraven maar niet geperforeerd.
Als u drie geperforeerde gaten wilt gebruiken, gebruik dan een 4.0 boor op het binnenste gat om in de binnenkant te penetreren.
Na het monteren van de nieuwe blikken pijp gebruikt u één druppel secondelijm (CA) bij de opening.